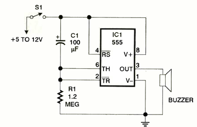
Esta es la configuración básica para accionar un zumbador de cerámica con el 555 que sonará en un intervalo de 2 minutos. Lo encontramos en la revista Electronics Now de noviembre de 1997. El zumbador es de tipo oscilador.
Este circuito se encontró en la revista Radio Electronics de enero de 1959. El transistor de...
Encontrado en la documentación de la década de 1980, este circuito utiliza un foto-Darlington. Debe haber un...
Este circuito se utiliza en un sistema de detección LÁSER que evita ecos de distancias cortas en...