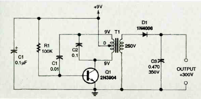
Este inversor de voltaje utiliza un pequeño transformador. El circuito fue encontrado en la edición de abril de 1995 de la revista Electronics Now. La corriente de salida es muy baja.
Cuando el paso de una persona delante de un LDR iluminado interrumpe la luz por unos instantes, el circuito...
Este circuito utiliza, además del transistor unijuntura, otro dispositivo semiconductor que...
Los circuitos parpadeantes comunes con el 4093 tienen ciclos activos del 50%. Para una aplicación en...