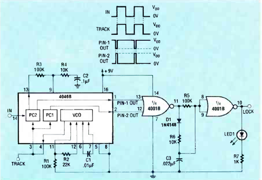
Utilizando un PLL 4046 este circuito reconoce un tono de 1,6 a 1,8 kHz, activando un LED de salida. El circuito es de una Radio Electronics de diciembre de 1989.
Este es un simple montaje didáctico que se puede realizar sobre la base de un puente de terminales o...
Si usted tiene miedo de conectar los aparatos que usted mismo monta directamente en la toma, pues...
Este oscilador puede generar señales de 100 kHz hasta más de 50 MHz dependiendo del cristal usado y del...