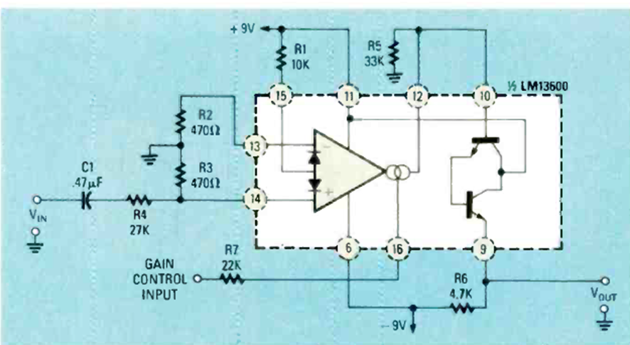
Este VCA se encontró en la revista Radio Electronics de julio de 1988. Utiliza un amplificador operacional OTA y su ganancia se ajusta mediante la tensión en la entrada de ganancia.
En la figura 1 tenemos un órgano electrónico de juguete que puede tanto servir para divertir a los niños...
Este circuito ayuda a aumentar la intensidad de las señales captadas por una antena antes de que...
Los sonidos espaciales de tiros de pistolas de rayos láser o similares, que oímos en películas como...