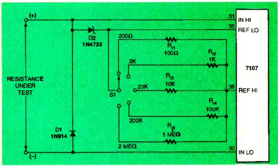
El circuito que se muestra es de la revista Electronics Now de noviembre de 1996. El circuito básico está en los 3 anteriores de esta sección. El circuito mide resistencias de hasta 2 M ohms.
En la figura tenemos un diagrama de un termostato que utiliza un NTC y un amplificador operacional 751....
Esta llave de toque aparece en otros puntos de esta sección y de este sitio. Con ella podemos...
El circuito seleccionado genera pulsos de 1 ms. Encontramos la configuración en un manual de...