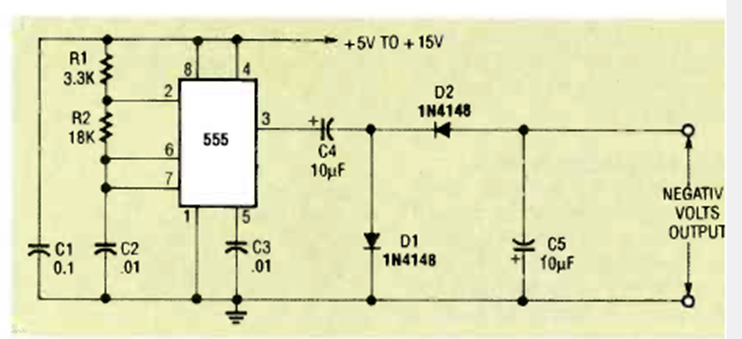
Este circuito inversor de polaridad para voltajes de hasta aproximadamente -12 V se encontró en la revista Radio Electronics de diciembre de 1992. La corriente es de unos pocos mA
.
En la figura 1 tenemos un órgano electrónico de juguete que puede tanto servir para divertir a los niños...
Este circuito ayuda a aumentar la intensidad de las señales captadas por una antena antes de que...
Los sonidos espaciales de tiros de pistolas de rayos láser o similares, que oímos en películas como...