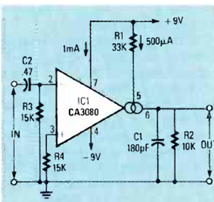
Este amplificador de CA tiene una ganancia de 40 dB. Fue encontrado en la revista Radio Electronics de mayo de 1988. El CA3080 es un amplificador de transconductancia OTA.

Este amplificador de CA tiene una ganancia de 40 dB. Fue encontrado en la revista Radio Electronics de mayo de 1988. El CA3080 es un amplificador de transconductancia OTA.
