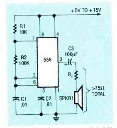
Encontrado en un artículo de la revista Radio Electronics de octubre de 1992, este circuito genera un tono de baja potencia en un altavoz. R debe calcularse de modo que la impedancia de salida sea mayor a 75 ohms.

Encontrado en un artículo de la revista Radio Electronics de octubre de 1992, este circuito genera un tono de baja potencia en un altavoz. R debe calcularse de modo que la impedancia de salida sea mayor a 75 ohms.
