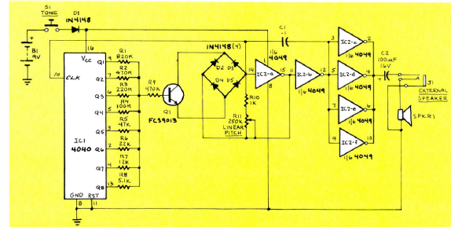
Encontrado en la revista Radio Electronics de junio de 1987, este circuito utiliza componentes CMOS bien conocidos. El circuito tiene una etapa amplificadora CMOS que activa un pequeño altavoz.
Este es un simple montaje didáctico que se puede realizar sobre la base de un puente de terminales o...
Si usted tiene miedo de conectar los aparatos que usted mismo monta directamente en la toma, pues...
Este oscilador puede generar señales de 100 kHz hasta más de 50 MHz dependiendo del cristal usado y del...