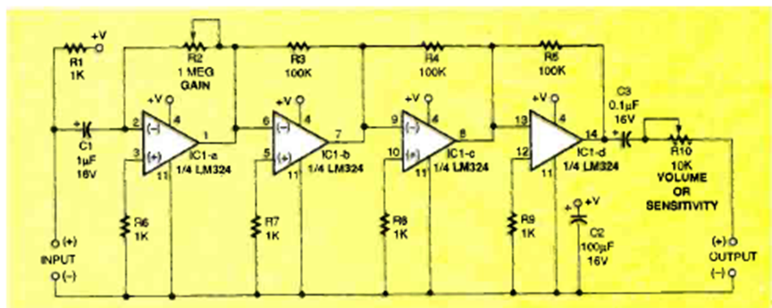
Utilizando los cuatro amplificadores de un LM324, este circuito fue encontrado en la edición de junio de 1996 de la revista Electronics Now. El circuito no requiere una fuente simétrica y tiene una ganancia muy alta, así como una impedancia de entrada.




