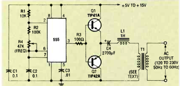
Se puede obtener un voltaje no sinusoidal de 120 V con este circuito que se encuentra en la revista Radio Electronics de diciembre de 1992. La potencia es de unos pocos watts.
Con sólo dos transistores podremos tener un simple amplificador experimental de baja potencia. Con él...
Este circuito produce el ruido del goteo de un grifo o una gotera cuando la luz deja de incidir en el...
En la mayoría de los circuitos en que se utilizan amplificadores operacionales se necesita una...