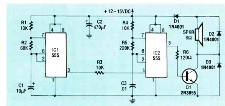
Encontramos este circuito de alarma en una revista de Radio Electronics de julio de 1990. El transistor de potencia debe estar equipado con un disipador de calor.
La prueba de componentes se puede hacer con facilidad con un instrumento denominado probador de...
Con este circuito es posible transformar su amplificador en un receptor AM común, con excelente calidad...
Describimos el montaje de un sensible galvanómetro, que puede acusar la circulación de cadenas muy...