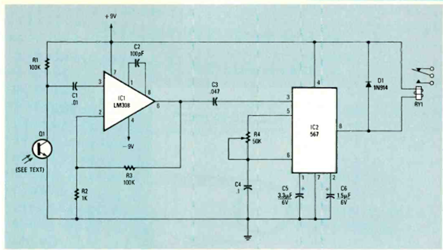
Este es el circuito receptor del control remoto anterior publicado en la misma revista Radio Electronics de noviembre de 1987. El sensor es un fototransistor ordinario.
Este proyecto experimental didáctico muestra cómo es posible implementar con opto-acopladores un flip-flop...
Los pequeños buzzers piezoeléctricos (cerámicos) no poseen mucha potencia sonora, siendo indicados para...
Este oscilador TTL utiliza un resonador cerámico como elemento de fijación de la frecuencia. El...