Este circuito es un multiplicador de cuatro cuadrantes que utiliza un LM3900. El circuito fue encontrado en la edición de julio de 1988 de la revista Radio Electronics.
La prueba de componentes se puede hacer con facilidad con un instrumento denominado probador de...
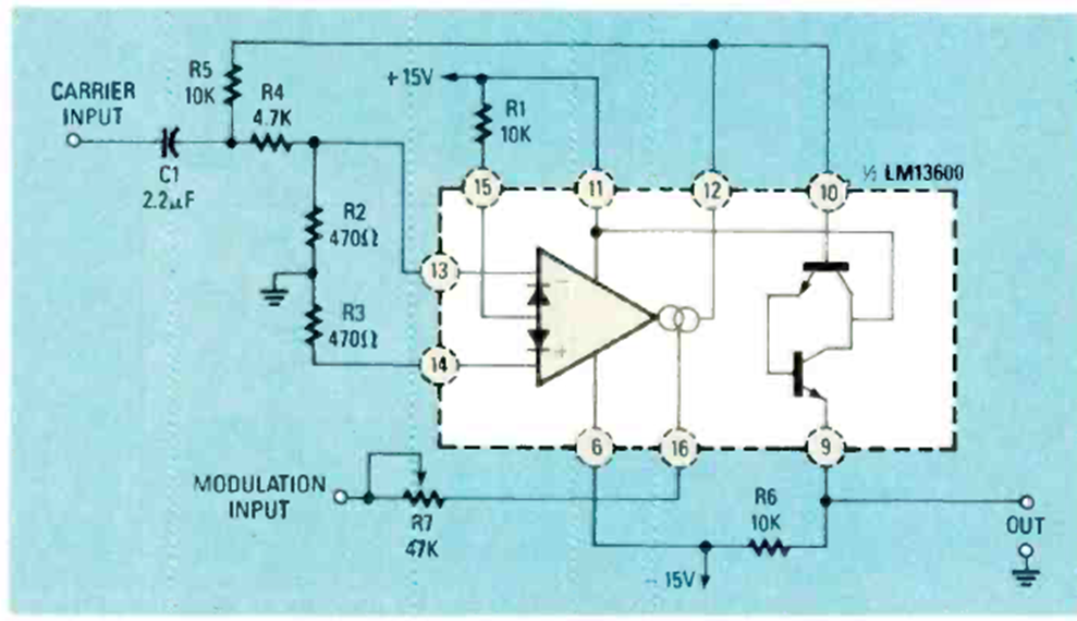
Con este circuito es posible transformar su amplificador en un receptor AM común, con excelente calidad...
Describimos el montaje de un sensible galvanómetro, que puede acusar la circulación de cadenas muy...