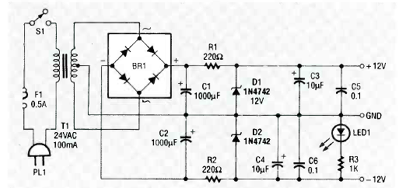
Este circuito con corriente hasta 100 mA según el transformador fue encontrado en la revista Radio Electronics de octubre de 1991. La regulación se realiza directamente mediante los zener.
Este proyecto didáctico puede ser utilizado en materias electivas y cursos técnicos como montaje...
El circuito presentado hace que las lámparas de 5 a 100 vatios parpadeen con el ritmo de la música de...
La figura 1 presenta una sencilla prueba de continuidad que puede ser utilizado no sólo en los...