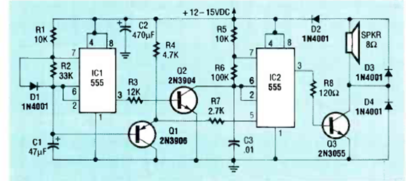
Este circuito de alerta roja de la película Star Trek se encontró en la edición de julio de 1990 de la revista Radio Electronics. El transistor de potencia debe estar equipado con un disipador de calor.
Este oscilador puede producir una señal de alta frecuencia en el rango de 20 MHz a 150 MHz,...
Encontramos esta configuración tradicional de oscilador por puente de Wien en una documentación de Texas...
Este es un simple montaje didáctico que se puede realizar sobre la base de un puente de terminales o...