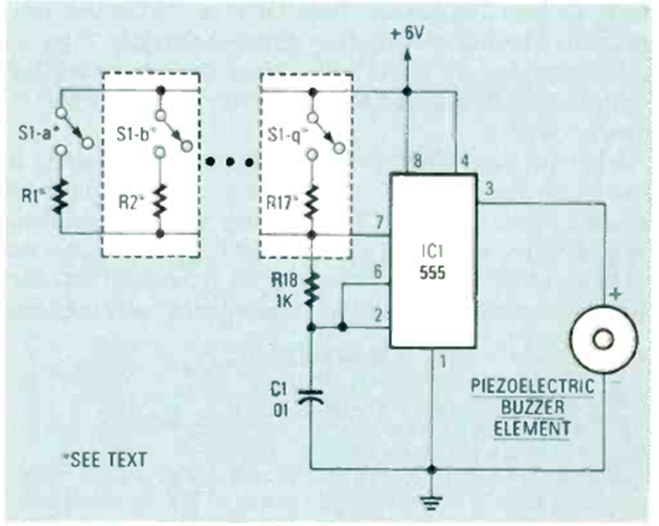
Este interesante circuito para montaje SMD apareció en la edición de noviembre de 1987 de la revista Radio Electronics. Los fonones se generan mediante resistores seleccionadas que se colocan en el conjunto.
Este es un simple montaje didáctico que se puede realizar sobre la base de un puente de terminales o...
Si usted tiene miedo de conectar los aparatos que usted mismo monta directamente en la toma, pues...
Este oscilador puede generar señales de 100 kHz hasta más de 50 MHz dependiendo del cristal usado y del...