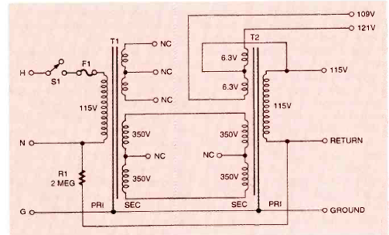
En la figura tenemos un excelente sistema de transformador de aislamiento para el banco. Este circuito fue sugerido por Electronics Now en diciembre de 1997.
El amplificador presentado se basa en el LM12 de National Semiconductor y transistores de alta...
Encontramos este circuito en una documentación técnica de 1977. El circuito genera señales en una amplia...
Este circuito de módem que utiliza un PLL 4046 fue encontrado en la edición de octubre de 1994 de la...