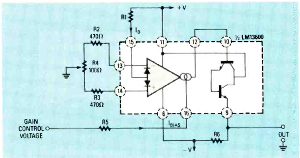
En la figura tenemos una forma de aplicar un control de ganancia en el OTA LM3600. El circuito es de una Radio Electronics de julio de 1988.
En la figura se muestra un circuito sensor de subtemperatura con amplificador Norton LM3900. R3...
Encontramos este circuito en una documentación técnica de 1974. El circuito puede ser elaborado con...
Esta configuración tradicional se ha encontrado en una revista Practical Electronics de noviembre de...