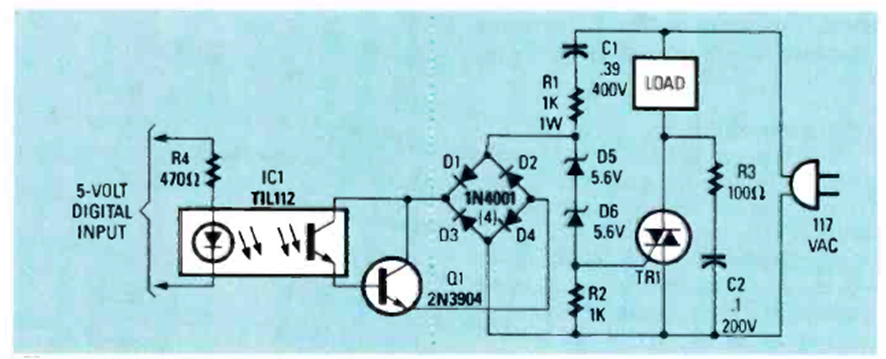
Este circuito es un excelente protector para microcontroladores y se encontró en la revista Radio Electronics de octubre de 1987. Se puede utilizar con otras tensiones, ya que el triac y el optoaislador admiten versiones más modernas.
Esta configuración siempre aparece en proyectos o aplicaciones en que se tiene una fuente de señal...
Este ultra-simple probador de componentes utiliza sólo 3 componentes electrónicos. Con él podemos...
Este proyecto sirve para mostrar cómo funcionan las usinas de energía eléctrica, convirtiendo energía...