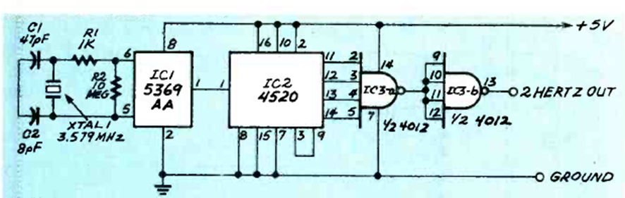
Este circuito de cristal CMNOS genera una señal de 2 Hz. Lo encontramos en la edición de octubre de 1994 de la revista Electronics Now. La señal de salida es rectangular.
Este circuito amplificador de corriente utiliza un amplificador operacional y tres transistores. La...
Este antiguo circuito de la década de 1970 utiliza transistores de germanio y es alimentado por batería...
Una configuración un poco diferente de la anterior, para un oscilador controlado por toque, se...