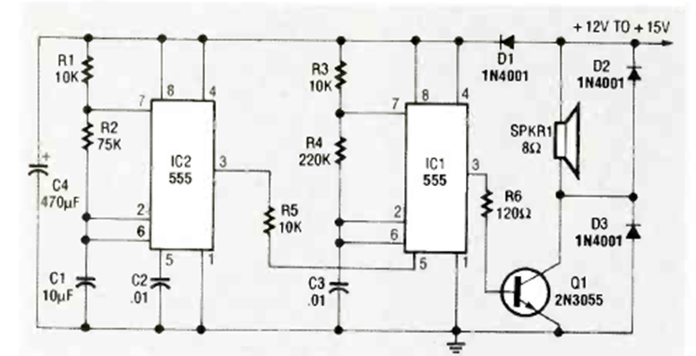
Este circuito aparece en varias versiones en publicaciones de la época y se puede modificar cambiando los condensadores. Esto es de la edición de octubre de 1992 de la revista Radio Electronics.
Si en la oscuridad tropiezas varias veces en objetos de tu casa antes de llegar al interruptor de luz, ¿por...
Encontramos este circuito en el antiguo manual de referencia de transistores de la Mullard de 1960....
En realidad se trata de un juguete o circuito didáctico que indica cuando las respuestas correctas son...