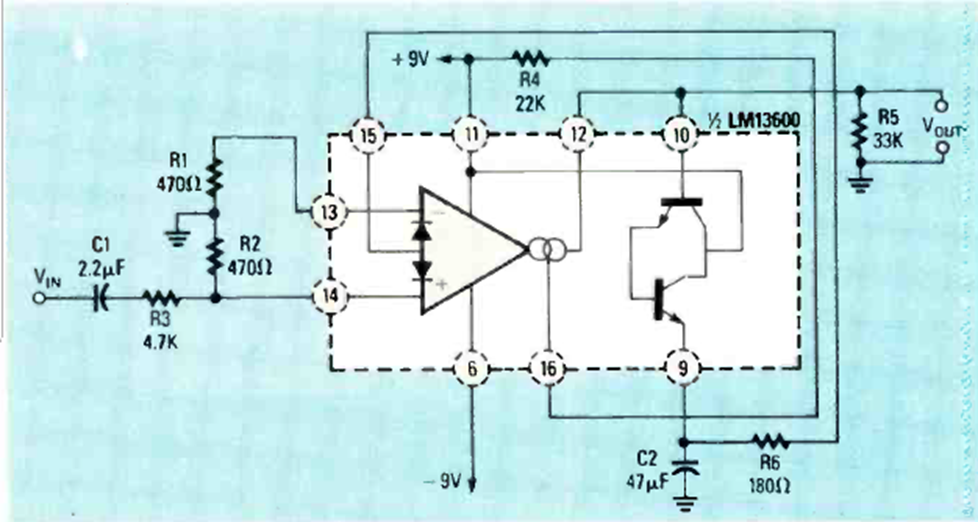
Este circuito de control automático de ganancia se encontró en la edición de julio de 1988 de la revista Radio Electronics. El circuito se basa en un amplificador operacional de transconductancia.
Si en la oscuridad tropiezas varias veces en objetos de tu casa antes de llegar al interruptor de luz, ¿por...
Encontramos este circuito en el antiguo manual de referencia de transistores de la Mullard de 1960....
En realidad se trata de un juguete o circuito didáctico que indica cuando las respuestas correctas son...