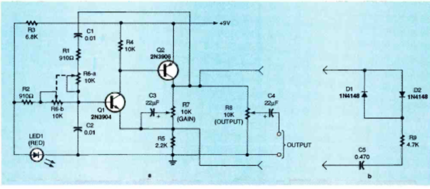
Este oscilador genera señales sinusoidales de 1,5 a 15 kHz y utiliza transistores complementarios comunes. El circuito fue encontrado en la edición de diciembre de 1995 de la revista Electronics Now.
Si en la oscuridad tropiezas varias veces en objetos de tu casa antes de llegar al interruptor de luz, ¿por...
Encontramos este circuito en el antiguo manual de referencia de transistores de la Mullard de 1960....
En realidad se trata de un juguete o circuito didáctico que indica cuando las respuestas correctas son...