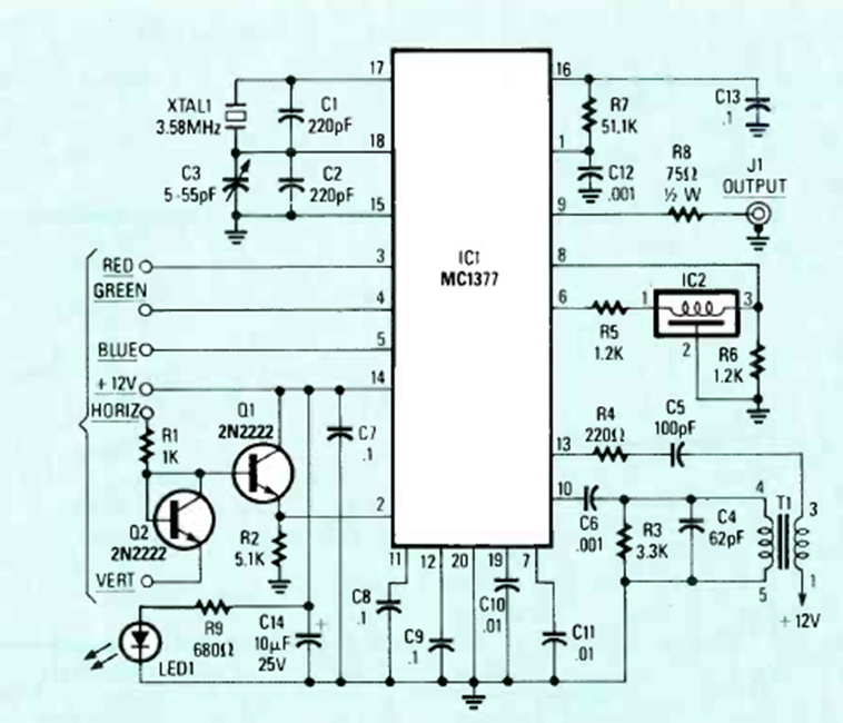
Este circuito puede ser de interés para los restauradores de equipos de vídeo antiguos. Lo encontramos en la revista Radio Electronics de diciembre de 1989.
Este circuito amplificador de corriente utiliza un amplificador operacional y tres transistores. La...
Este antiguo circuito de la década de 1970 utiliza transistores de germanio y es alimentado por batería...
Una configuración un poco diferente de la anterior, para un oscilador controlado por toque, se...