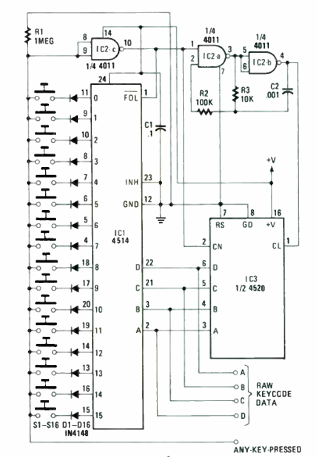
Este circuito se encontró en la edición de julio de 1987 de la revista Radio Electronics. Utiliza tecnología CMOS para convertir el control de 10 interruptores pulsadores en binario.

Este circuito se encontró en la edición de julio de 1987 de la revista Radio Electronics. Utiliza tecnología CMOS para convertir el control de 10 interruptores pulsadores en binario.
