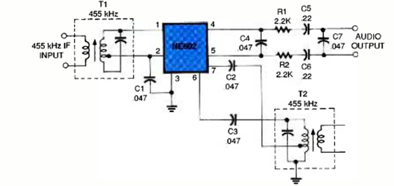
Este circuito con el NE602 fue encontrado en la edición de febrero de 1997 de la revista Electronics Now. El circuito integrado NE602 no es muy común hoy en día.
Este circuito amplificador de corriente utiliza un amplificador operacional y tres transistores. La...
Este antiguo circuito de la década de 1970 utiliza transistores de germanio y es alimentado por batería...
Una configuración un poco diferente de la anterior, para un oscilador controlado por toque, se...