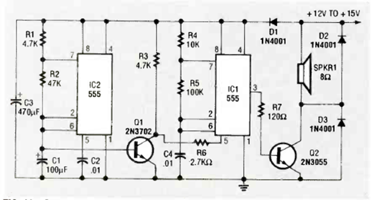
Esta es una de las muchas configuraciones de sirena posibles para el circuito integrado 555. La encontramos en la revista Radio Electronics de octubre de 1992. Tiene una etapa de potencia.
Este circuito amplificador de corriente utiliza un amplificador operacional y tres transistores. La...
Este antiguo circuito de la década de 1970 utiliza transistores de germanio y es alimentado por batería...
Una configuración un poco diferente de la anterior, para un oscilador controlado por toque, se...