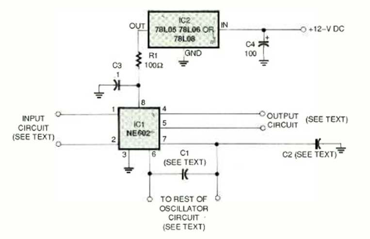
Este circuito fue encontrado en la revista Electronics Now de febrero de 1997. El circuito tiene una fuente de alimentación para el NE602 y entradas y salidas libres para proyectos.
Esta configuración siempre aparece en proyectos o aplicaciones en que se tiene una fuente de señal...
Este ultra-simple probador de componentes utiliza sólo 3 componentes electrónicos. Con él podemos...
Este proyecto sirve para mostrar cómo funcionan las usinas de energía eléctrica, convirtiendo energía...