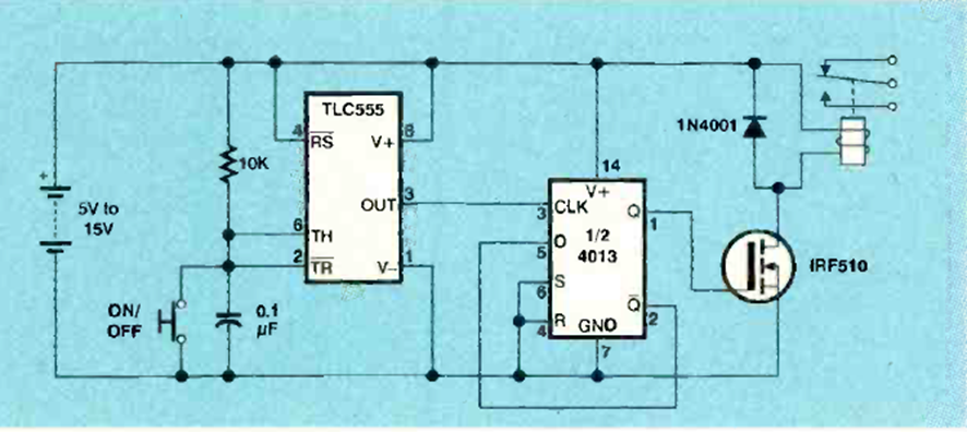
Este circuito biestable que acciona un relé con un pulsador fue encontrado en la edición pp6 del 1 de marzo de la revista Electronics Now. Se puede utilizar un bipolar común con una resistencia de 1k en la base en lugar del FET.
Este circuito amplificador de corriente utiliza un amplificador operacional y tres transistores. La...
Este antiguo circuito de la década de 1970 utiliza transistores de germanio y es alimentado por batería...
Una configuración un poco diferente de la anterior, para un oscilador controlado por toque, se...