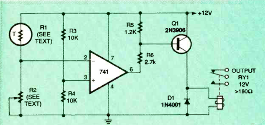
El circuito es de Electronics Now de junio de 1995. El relé depende de la potencia y tanto R1 como R2 deben tener resistencias similares en funcionamiento.
Esta configuración siempre aparece en proyectos o aplicaciones en que se tiene una fuente de señal...
Este ultra-simple probador de componentes utiliza sólo 3 componentes electrónicos. Con él podemos...
Este proyecto sirve para mostrar cómo funcionan las usinas de energía eléctrica, convirtiendo energía...