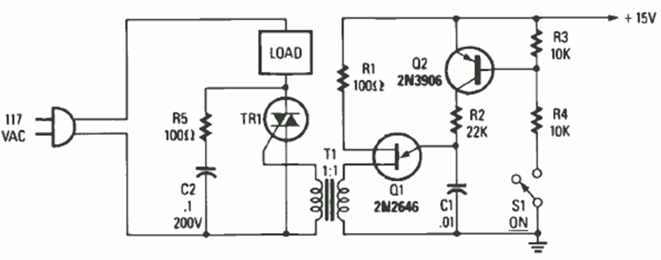
Este circuito triac se encontró en la revista Radio Electronics de octubre de 1987. El triac depende de la carga y debe montarse en un disipador de calor.
Este circuito amplificador de corriente utiliza un amplificador operacional y tres transistores. La...
Este antiguo circuito de la década de 1970 utiliza transistores de germanio y es alimentado por batería...
Una configuración un poco diferente de la anterior, para un oscilador controlado por toque, se...