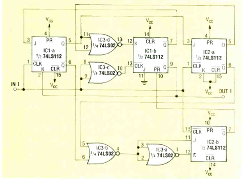
Este circuito TTL se encontró en la revista Radio Electronics de diciembre de 1990. El circuito tiene un ciclo de trabajo del 50%. Su alimentación debe ser de 5 V.
Esta configuración siempre aparece en proyectos o aplicaciones en que se tiene una fuente de señal...
Este ultra-simple probador de componentes utiliza sólo 3 componentes electrónicos. Con él podemos...
Este proyecto sirve para mostrar cómo funcionan las usinas de energía eléctrica, convirtiendo energía...