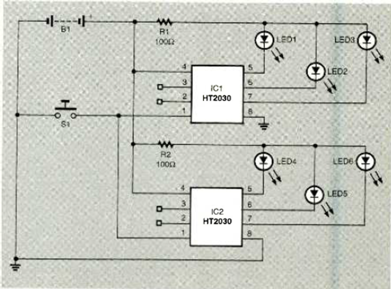
Este circuito con dos HT2030 alimenta 6 LED en un sistema intermitente decorativo. El circuito es de la revista Electronics Now de diciembre de 1997. Los LED se alimentan en secuencia.
Este circuito amplificador de corriente utiliza un amplificador operacional y tres transistores. La...
Este antiguo circuito de la década de 1970 utiliza transistores de germanio y es alimentado por batería...
Una configuración un poco diferente de la anterior, para un oscilador controlado por toque, se...