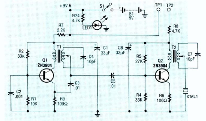
Este circuito se encontró en una revista Radio Electronics de noviembre de 1991. El circuito funciona a 2,2 MHz y tiene una salida de baja impedancia.
Este circuito amplificador de corriente utiliza un amplificador operacional y tres transistores. La...
Este antiguo circuito de la década de 1970 utiliza transistores de germanio y es alimentado por batería...
Una configuración un poco diferente de la anterior, para un oscilador controlado por toque, se...