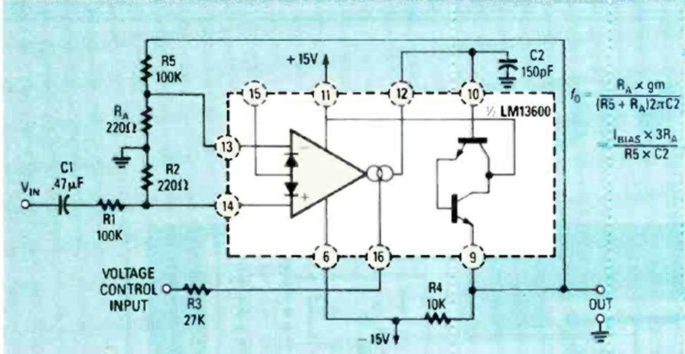
Este circuito, basado en un LM36000 OTA, se encontró en la edición de julio de 1988 de la revista Radio Electronics. Cubre frecuencias en el rango de 45 Hz a 45 kHz.
Esta configuración siempre aparece en proyectos o aplicaciones en que se tiene una fuente de señal...
Este ultra-simple probador de componentes utiliza sólo 3 componentes electrónicos. Con él podemos...
Este proyecto sirve para mostrar cómo funcionan las usinas de energía eléctrica, convirtiendo energía...