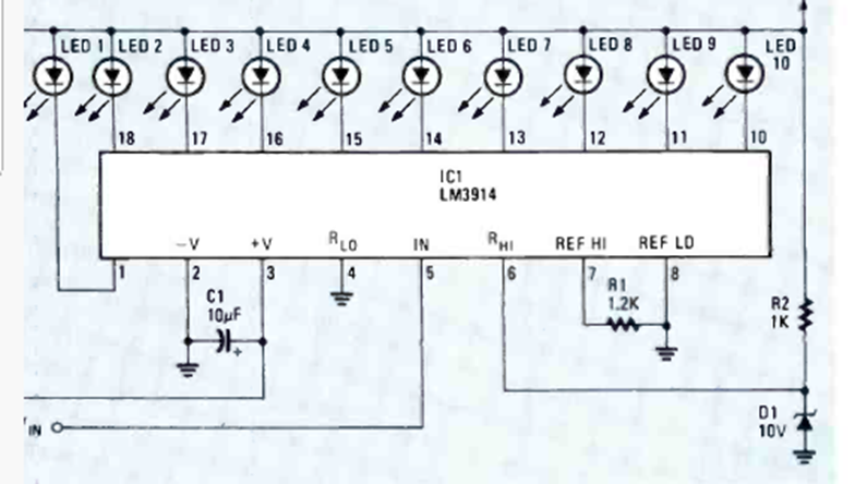
En la figura tenemos la forma de utilizar el Bargraph LM3914 con una fuente de voltaje de referencia externa. La referencia no puede ser mayor que la tensión de alimentación.
Cargar pequeñas pilas y baterías de Nicad (Niquel-Cadmio) de los tipos AAA, AA, C, D y baterías de 9 V es...
Con este sencillo circuito conectado a la entrada de un amplificador cualquiera, el amplificador se...
Ahora vamos a realizar un transmisor de FM, simple de montar, con componentes baratos, fáciles de...