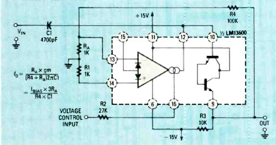
Este circuito, basado en un amplificador operacional OTA LM3600, fue encontrado en la revista Radio Electronics de julio de 1988. El rango es de 6 Hz a 6 kHz y puede modificarse.
Este circuito amplificador de corriente utiliza un amplificador operacional y tres transistores. La...
Este antiguo circuito de la década de 1970 utiliza transistores de germanio y es alimentado por batería...
Una configuración un poco diferente de la anterior, para un oscilador controlado por toque, se...