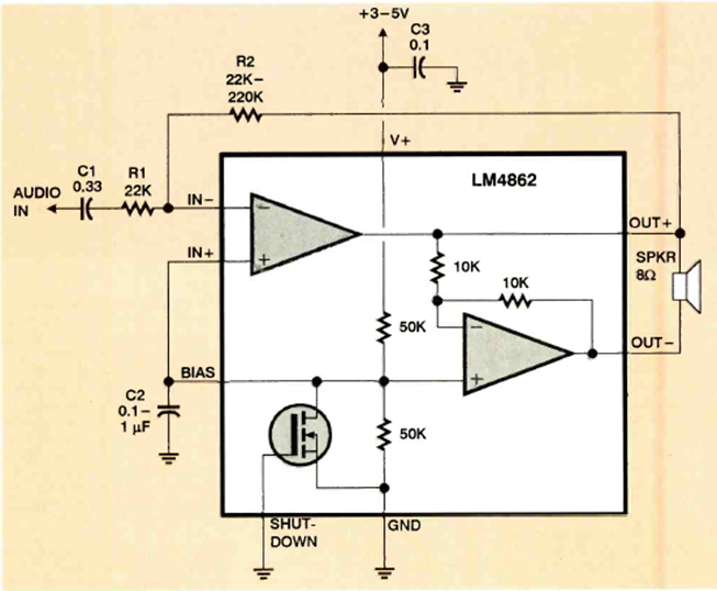
Encontramos este pequeño amplificador de audio en la revista Electronics Now de noviembre de 1999. El circuito integrado utilizado no es muy común hoy en día.
Este circuito amplificador de corriente utiliza un amplificador operacional y tres transistores. La...
Este antiguo circuito de la década de 1970 utiliza transistores de germanio y es alimentado por batería...
Una configuración un poco diferente de la anterior, para un oscilador controlado por toque, se...