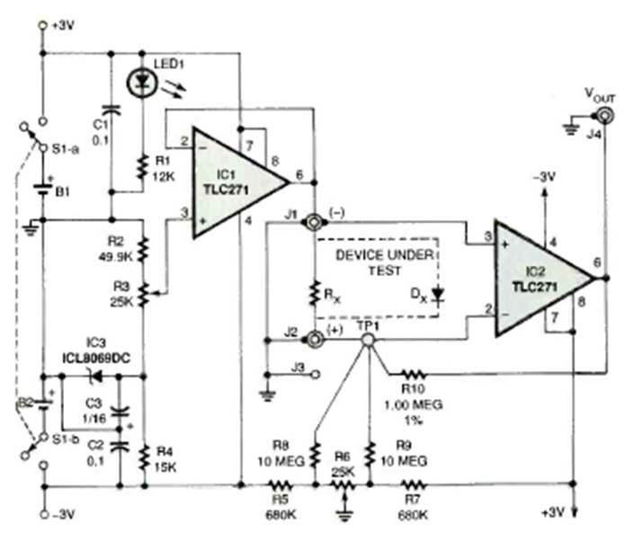
Con este circuito es posible agregar una escala de conductancia a un multímetro común. El circuito fue encontrado en la edición de febrero de 1997 de la revista Electronics Now.
Este circuito amplificador de corriente utiliza un amplificador operacional y tres transistores. La...
Este antiguo circuito de la década de 1970 utiliza transistores de germanio y es alimentado por batería...
Una configuración un poco diferente de la anterior, para un oscilador controlado por toque, se...