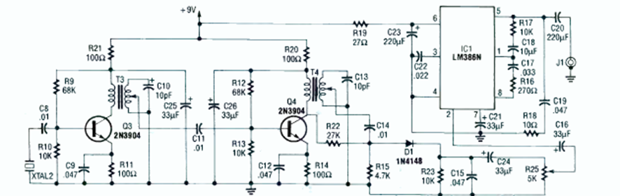
Este es el receptor del circuito anterior que se encontró en la revista Radio Electronics de noviembre de 1991. La frecuencia es de 2,2 MHz, determinada por las bobinas.
Este circuito amplificador de corriente utiliza un amplificador operacional y tres transistores. La...
Este antiguo circuito de la década de 1970 utiliza transistores de germanio y es alimentado por batería...
Una configuración un poco diferente de la anterior, para un oscilador controlado por toque, se...