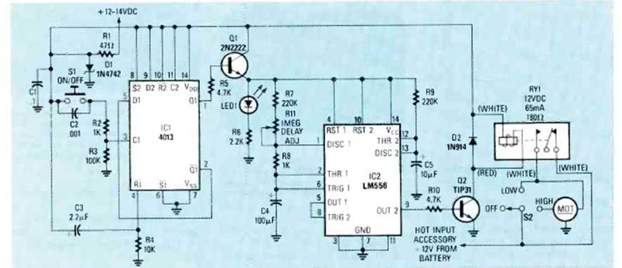
Este interruptor del limpiaparabrisas se encontró en la edición de abril de 1990 de la revista Radio Electronics. El circuito utiliza circuitos integrados que todavía se encuentran disponibles.
Cargar pequeñas pilas y baterías de Nicad (Niquel-Cadmio) de los tipos AAA, AA, C, D y baterías de 9 V es...
Con este sencillo circuito conectado a la entrada de un amplificador cualquiera, el amplificador se...
Ahora vamos a realizar un transmisor de FM, simple de montar, con componentes baratos, fáciles de...