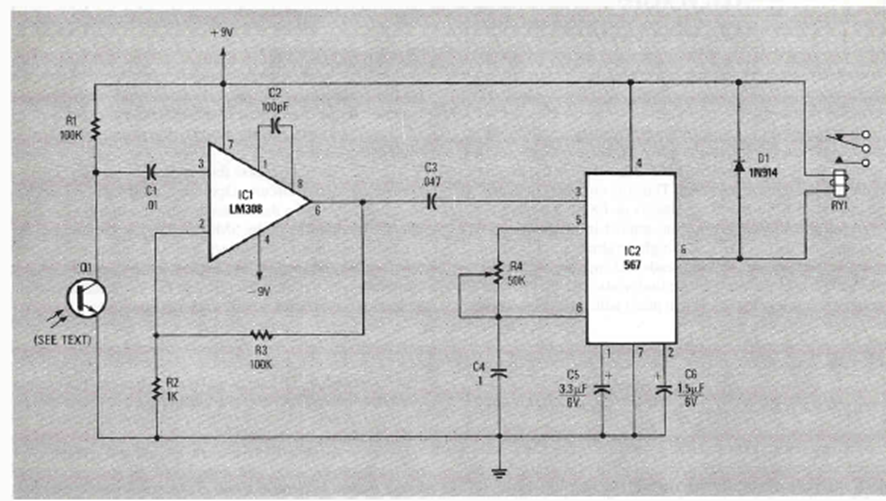
Este circuito es el receptor del transmisor del proyecto anterior. También lo encontramos en el número de 1989 de la revista Radio Electronics Experimenter.
Este circuito amplificador de corriente utiliza un amplificador operacional y tres transistores. La...
Este antiguo circuito de la década de 1970 utiliza transistores de germanio y es alimentado por batería...
Una configuración un poco diferente de la anterior, para un oscilador controlado por toque, se...