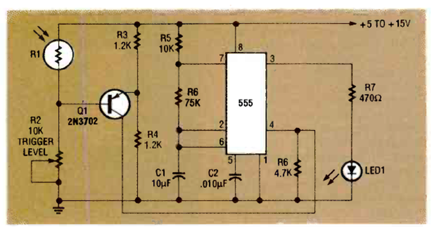
Encontramos este circuito en la edición de noviembre de 1992 de la revista Radio Electronics. El circuito utiliza un LDR como sensor y el transistor puede ser cualquier transistor de propósito general.
El control que describimos puede ser usado con motores de 3 a 12 V y corrientes máximas de 1 A. El...
El circuito mostrado en la figura 1 modula un haz de luz emitido por un LED (visible o infrarrojo) a...
El oscilador mostrado en la figura 1 utiliza un cristal para la banda de radioaficionados PX (11...