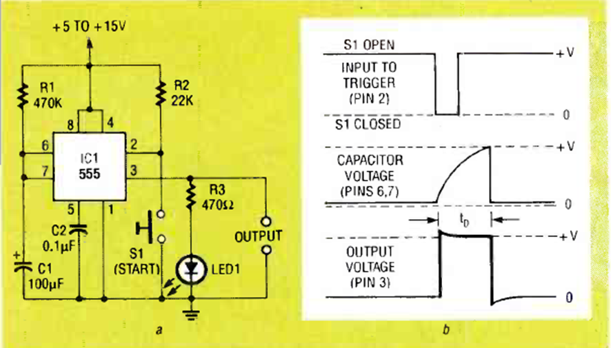
En un artículo de Radio Electronics de septiembre de 1992 encontramos este circuito básico 555 utilizado para generar tiempos fijos. El capacitor C1 y la resistencia R1 determinan el tiempo. El circuito controla un LED.
El control que describimos puede ser usado con motores de 3 a 12 V y corrientes máximas de 1 A. El...
El circuito mostrado en la figura 1 modula un haz de luz emitido por un LED (visible o infrarrojo) a...
El oscilador mostrado en la figura 1 utiliza un cristal para la banda de radioaficionados PX (11...