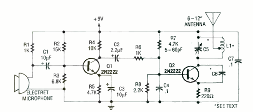
Este sencillo transmisor FM de dos transistores se encontró en la edición de noviembre de 1991 de la revista Radio Electronics. El circuito tiene una bobina de 2+2 vueltas de alambre sin forma de calibre 28 con un diámetro de 1 cm.
El control que describimos puede ser usado con motores de 3 a 12 V y corrientes máximas de 1 A. El...
El circuito mostrado en la figura 1 modula un haz de luz emitido por un LED (visible o infrarrojo) a...
El oscilador mostrado en la figura 1 utiliza un cristal para la banda de radioaficionados PX (11...