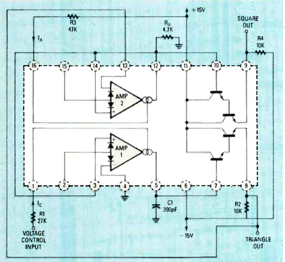
Encontramos este circuito en la edición de julio de 1988 de la revista Radio Electronics. Las frecuencias las proporciona el capacitor. C1 y la entrada de tensión se realiza en el pino 1.
El control que describimos puede ser usado con motores de 3 a 12 V y corrientes máximas de 1 A. El...
El circuito mostrado en la figura 1 modula un haz de luz emitido por un LED (visible o infrarrojo) a...
El oscilador mostrado en la figura 1 utiliza un cristal para la banda de radioaficionados PX (11...