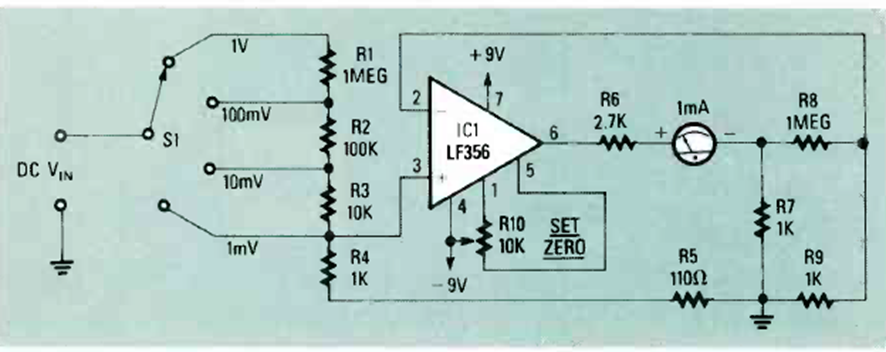
Este circuito, que utiliza un circuito operativo LF356, se encontró en la edición de septiembre de 1989 de la revista Radio Electronics. La fuente de alimentación debe ser simétrica y se puede utilizar un multímetro común en lugar del instrumento analógico.




