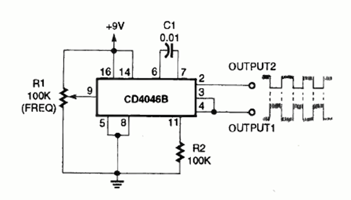
Este circuito fue encontrado en la edición de agosto de 1994 de la revista Electronics Now. El 4046 es poco común en estos días y el rango de frecuencia está dado por C1.
El control que describimos puede ser usado con motores de 3 a 12 V y corrientes máximas de 1 A. El...
El circuito mostrado en la figura 1 modula un haz de luz emitido por un LED (visible o infrarrojo) a...
El oscilador mostrado en la figura 1 utiliza un cristal para la banda de radioaficionados PX (11...