Este circuito fue encontrado como parte de otro proyecto en una revista Radio Electronics de enero de 1988. Las frecuencias están dadas por los capacitores de sincronización.
El control que describimos puede ser usado con motores de 3 a 12 V y corrientes máximas de 1 A. El...
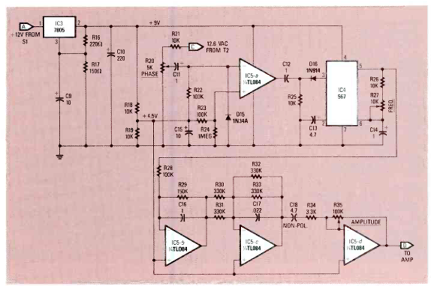
El circuito mostrado en la figura 1 modula un haz de luz emitido por un LED (visible o infrarrojo) a...
El oscilador mostrado en la figura 1 utiliza un cristal para la banda de radioaficionados PX (11...